728x90
반응형
partial decoding
필요한 주소만 연결, 남는 주소는 연결하지 않는 방법.
중복된 번지를 가진다.
(ex) address bus는 4개이지만 2개만 쓰고 싶을 때, 아래 그림과 같이 사용하면 된다.

Q. 0000번지를 찾을 경우? 0100번지를 찾을 경우? 1100번지를 찾을 경우?
-> 모든 경우에 00번지로 찾아내서 내보낸다.
-> 즉, 그림에서 A2와 A3는 don't care bit이므로 신경쓸 필요가 없다.
연결이 안된, don't care bit의 개수가 n개 일때
한 공간이 가질 수 있는 번지 수 : 2n개
absolute decoding
다른 말로, complete decoding이라고 한다.
무조건 메모리 하나가 한 번지를 갖는 것을 의미한다.

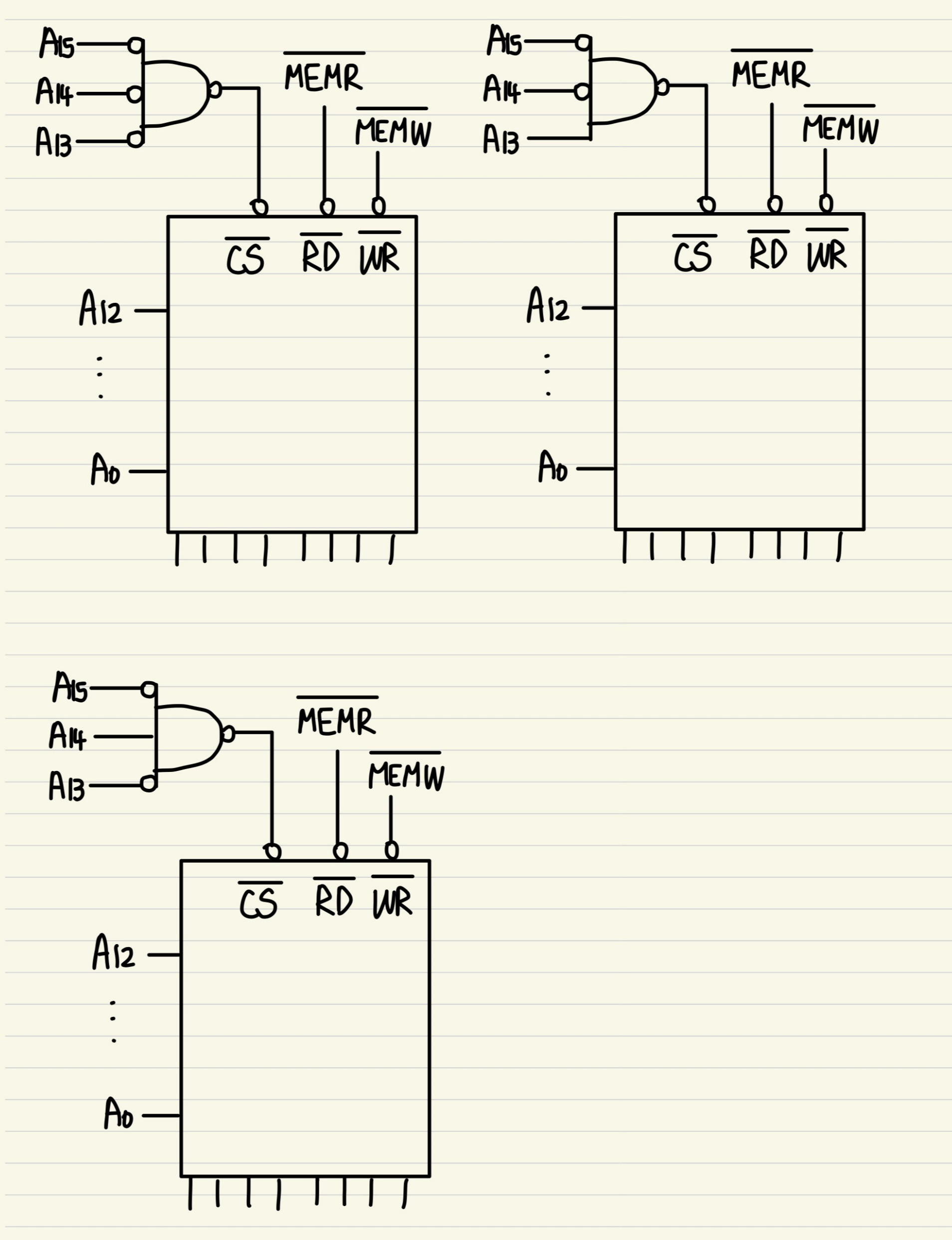
Memory decoding
memory가 하나 있을 땐 0000H ~ 1FFFH까지 사용 가능하다고 가정해보자.
memory를 하나 더 사면, 1000H ~ 3FFFH까지 사용 가능하다.
memory를 또 하나 더 사면, 4000H ~ 5FFFH까지 사용 가능하다.
-> 즉, memory를 추가로 달 때마다 CS의 비트 값만 1씩 증가하고 있다.

이런 경우엔 메모리를 사용할 때마다 납땜을 계속해야 한다.
-> 그럴 필요가 있나?
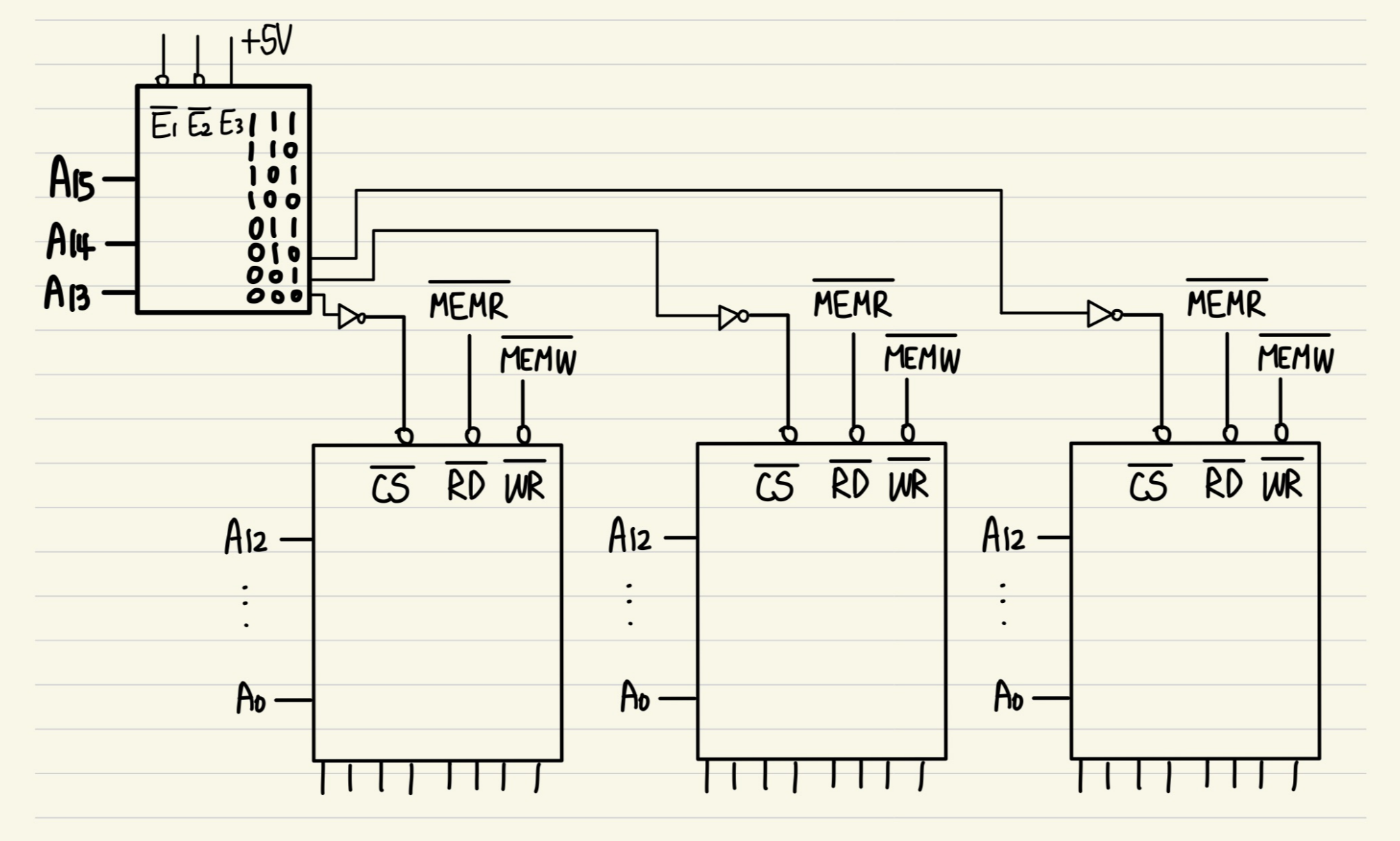
-> decoder를 쓰자.
-> decoder의 유일한 단점 : inverter를 매번 달아야 함
-> 이를 보완한 decoder : 38 decoder

728x90
반응형
'KNU_study > 마이크로프로세서' 카테고리의 다른 글
| 마이크로프로세서(11) I/O interface (0) | 2023.04.21 |
|---|---|
| 마이크로프로세서(10) 38 decoder (0) | 2023.04.21 |
| 마이크로프로세서(8) memory map (0) | 2023.04.21 |
| 마이크로프로세서(7) computer의 비트 수, 번지 수 늘리기 (0) | 2023.04.21 |
| 마이크로프로세서(6) memory interface2 (0) | 2023.04.21 |