Memory Map
시작 번지와 끝 번지만 찾으면 된다.
예제 그림을 보고 각각의 상황에서 memory map을 찾아보자.
<예제 1>

memory map의 시작 : 0, 끝 : 1
<예제2>

memory map의 시작 : 0000H, 끝 : FFFFH
<예제3>

memory map의 시작 : 00, 끝 : 01
-> A1 =1이면 동작하지 않는다. 따라서 10과 11의 값은 사용되지 않는다. 00, 01만 사용
<예제4>


memory map의 시작 : 000, 끝 : 011
-> 000 ~ 011만 사용 가능하다. 100 ~ 111은 사용 불가능하다.
-> 즉, A2 = 1이면 동작하지 않는다.
<예제5>

memory map의 시작 : 0000H, 끝 : 7FFFH
-> A15 = 0으로 고정한다. A0와 A14 사이의 값을 0, 1로 줄 수 있다.
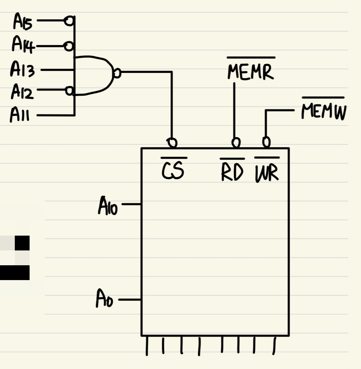
<예제6> 주어진 memory map을 보고 memory 그리기
0600H에서 06FFH까지의 memory map이 있을 경우
-> 시작점과 끝점의 16bit address를 다 풀어 써보자.
-> 왼쪽에서부터 두 숫자가 겹치는 지점까지가 CS, 숫자가 달라지는 지점부터가 address bus에 해당된다.



-> CS에 해당하는 값들은 inverter를 선택적으로 붙여 NAND gate와 연결한다.
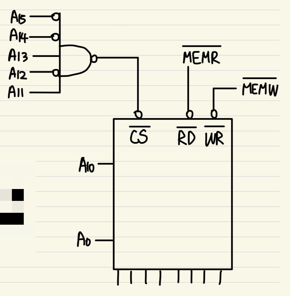
<예제7> 주어진 memory map을 보고 memory 그리기
2800H에서 2FFFH까지의 memory map이 있을 경우


'KNU_study > 마이크로프로세서' 카테고리의 다른 글
| 마이크로프로세서(10) 38 decoder (0) | 2023.04.21 |
|---|---|
| 마이크로프로세서(9) partial decoding, absolute decoding (0) | 2023.04.21 |
| 마이크로프로세서(7) computer의 비트 수, 번지 수 늘리기 (0) | 2023.04.21 |
| 마이크로프로세서(6) memory interface2 (0) | 2023.04.21 |
| 마이크로프로세서(5) 어셈블러 명령어 (0) | 2023.04.20 |